Together we build.
siklasicher.

Application

Basic element for easy and professional assembly of load carrying systems. All channels 41 suit as bearing rail for Standard Fastenings MS and Fixed Points MS. For fixation of pipes ≥ 160 always use channels ≥ 41/41/2,0.

All channels 41 are serrated on the inner edges and thus can be combined with many other Sikla products, e.g. Channel Nuts, End Supports WBD, Beam Clamps TCS 1, Pressix CC 41, etc.

Technical Data

Material:
Steel, galvanised according to DIN EN 10327

For further technical data, see Product System "Siconnect".

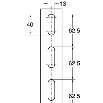
TypeLength
[m]
Slot patternWeight
[kg/m]
Qty.
[m]
Part
number
41/21/1.5621.006 173846
41/21/2.0631.346 193709
41/41/2.0632.006 193747
41/41/2.5632.346 166720
41/45/2.5632.476 193761
41/62/2.5633.006 193792
41/21/1.2561.106 438027
41/41/1.2561.756 438036